400-8033-808
详细说明

RMS-MODBUS01A

RMS-MODBUS01A卡为实现用户RS485组网管理提供了一种解决方案,实现了UPS运行状态的远程管理。



  • 商品说明
  • 商品参数

适用机型:UPS2000-G-(6kVA-20kVA)和UPS2000-A-(6kVA-10kVA)系列

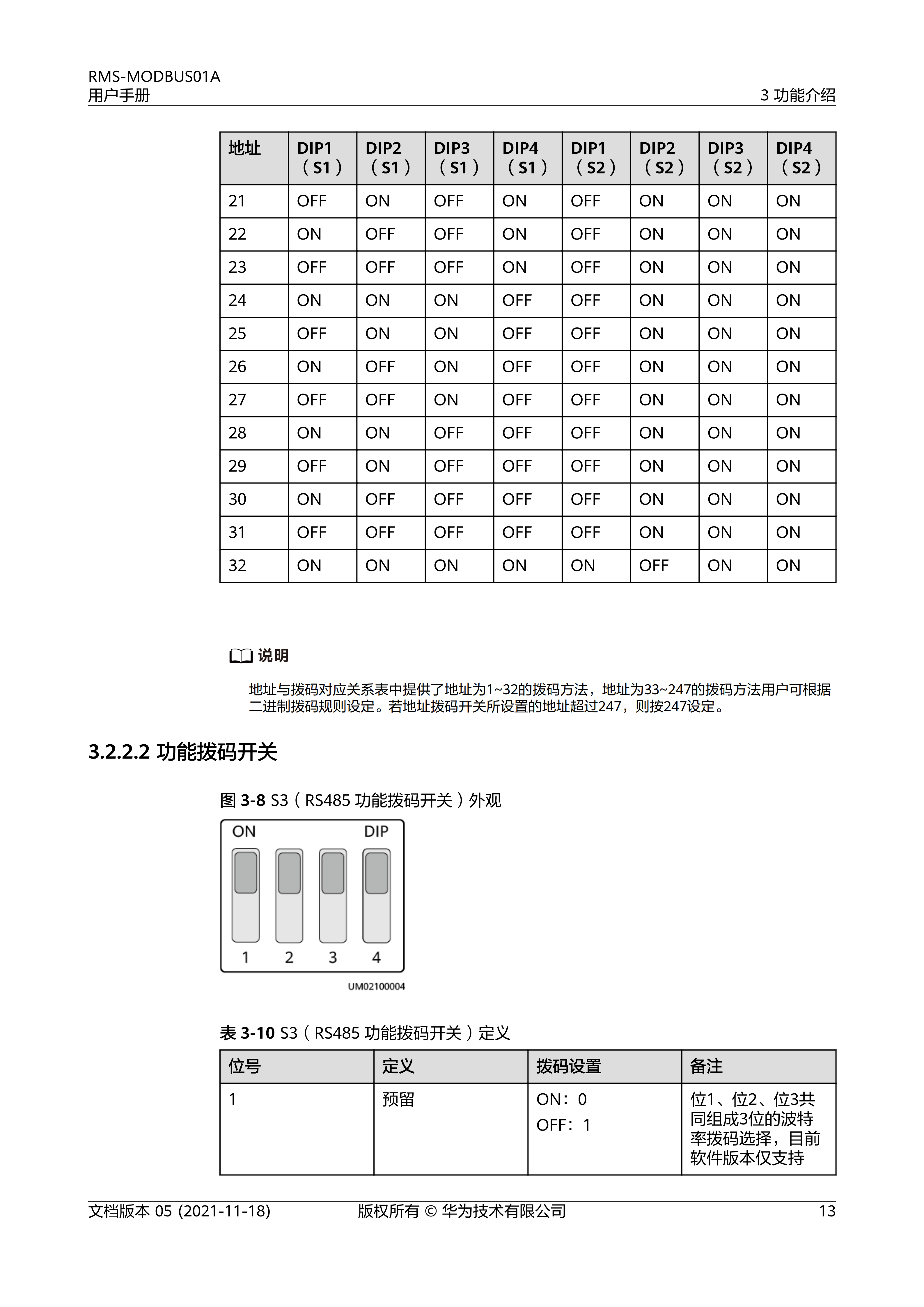
支持协议:Modbus协议

物理层通信方式:RS485差分电平(2线,4线制可选)

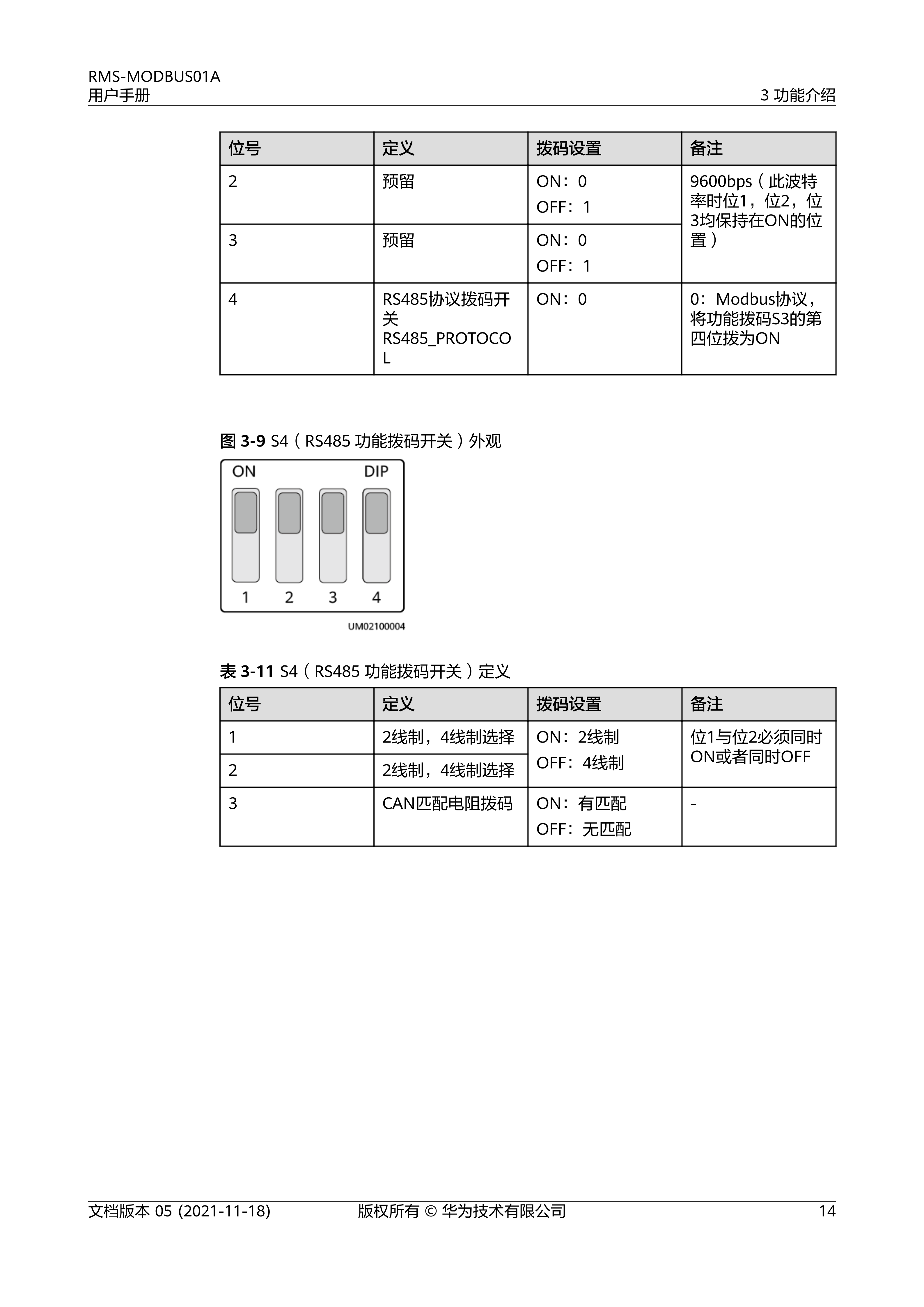
使用环境:-40℃~65℃;5% RH~95% RH


        联系方式:400-8033-808

//
点击收缩

微信扫描咨询

扫一扫联系客服

联系我们